客户服务
点击这里给我发消息
点击这里给我发消息
点击这里给我发消息
 
  本站首页加为收藏 | 联系我们
首页 企业简介 企业荣誉 产品中心 新闻中心 技术支持 车间设备 联系我们
江苏双向泵阀有限公司:创建于1988年企业简称【泰兴市齿轮油泵厂】专业生产各种规格的高中低压齿轮泵,广泛应用于机床、减速机、齿轮箱、液压机械、稀油站,润滑设备,工程机械、矿山机械、起重运输机械、橡塑机械、注塑机械、胶合板机械、轻工机械、纺织机械液压系统中以及冶金、船舶、油站等领域。产品检测设备齐全、产品质量稳定可靠,专业生产CB-B系列齿轮油泵、CB2系列齿轮油泵、CB2-B系列齿轮油泵、CB3系列齿轮油泵、NB-B系列摆线泵、BB-B系列摆线齿轮泵、HY01系列齿轮油泵、齿轮油泵电机组,SNBY系列双向润滑油泵、SXF双向润滑油泵,R12-1润滑油泵、2KF系列大流量双向润滑油泵、CB-B系列低噪音大流量齿轮泵、CB-FA型、CB-FC型高压油泵、YB1叶片泵、联轴器、输送机油泵、打结刀以及特殊非标齿轮泵定做。公司宗旨是“以科技求发展,以质量求生存,以客户求效益,力求以先进的生产管理和严格的质量要求,向用户提供优质的产品和满意的服务”。 本公司坚持“,以人为本,以诚信为本”,做到质量第一,信誉第一,用户第一,服务第一。时间将做出保证:“泰兴双向液压值得信赖”。欢迎国内外工商界人士前来考察,洽谈,合作,共图发展.销售热线:0523-87491508 传真:0523-87497508
 
    产品系列

冷却器
打结刀
液压装卸车
液压搬运车
YZ型系列液压站
齿轮油泵
2KF-150双向润滑油泵
CB-B600~1000低噪音大流量齿轮油泵(椭圆形)
CBN-E(F)500齿轮泵
CBK-F200齿轮泵
TXLB1~60500低噪音圆形大流量齿轮泵
PV2R2高压低噪声叶片泵
PV2R1高压低噪声叶片泵
GZQ给油指标器
Y(IP44)三相异步电动机
NB-B低噪音内齿合摆线油泵电机组
NB-B低噪音内齿合摆线油泵
CM-FA(FC)高压齿轮马达
DJB电动专用加油泵
CBW-*3型齿轮油泵
GY01-1.5X1.5双联齿轮泵
GY01-1.5X1.0单联齿轮泵电机组
GY01-1.5X1.0单联齿轮泵
SXF-4.5双向润滑油泵电机组
BB-B*Y摆线齿轮油泵
LBZ型立式油泵装置
WCB-B低压齿轮油泵
SGLL型卧式冷却器
2LQFW 型冷却器
FL型空气冷却器
SGLL型双联冷却器

 
 
 
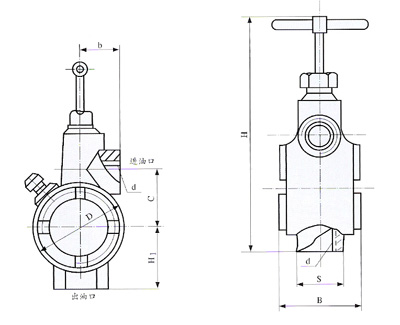
GZQ型给油指示器

用  途:
GZQ型给油指示器适用于稀油润滑系统,它的主要作用是控制润滑给油量大小和润滑点给油的情况显示,适用介质粘度为N22-N460.

 
    本产品适用于稀油润滑系统,它的主要作用是控制润滑给油量大小和润滑点给油情况的显示,适用介质粘度为N22-N460。

技术参数、规格

型号

公称通径 DN

公称压力 MPa

d

D

B

C

b

H

H1

S

重量 kg

GZQ-10

10

0.63

ZG3/8 ?

65

58

35

32

142

45

32

1.4

GZQ-15

15

0.63

ZG1/2 ?

65

58

35

32

142

45

32

1.4

GZQ-20

20

0.63

ZG3/4 ?

80

60

28

38

150

60

41

2.2

GZQ-25

25

0.63

ZG1 ?

80

60

28

38

150

60

41

2.1

 
 
[返回]   [打印窗口]   [关闭窗口]

 
 

版权所有:江苏双向泵阀有限公司 Copyrights (C)2010-2011 www.txsxb.com All rights Reserved.
地址:泰兴市新街镇夏徐村西徐工业园区 电话:0523-87491508  传真:0523-87497508 企业法人:陈留兵